
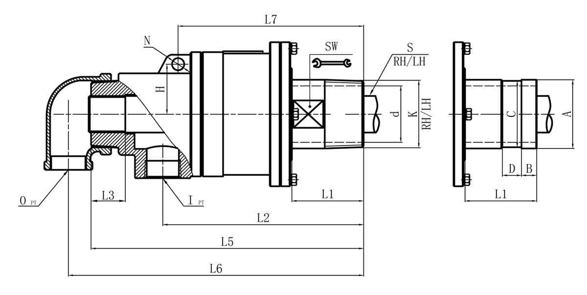
| Model | K | M | I | O | S | S1 | D1 | L1 | L2 | L3 | L5 | L6 | L7 | L8 | N | SW | H | 法蘭式外管尺寸對照表 | |||
| A | B | C | D | ||||||||||||||||||
| 80A | R3" | Rc3" | Rc2-1/2" | Rc1-1/2" | Rp1-1/2" | 47 | 72 | 94 | 263 | 45 | 357 | 387 | 243 | 405 | 16 | 85 | 66 | 90 | 20 | 887 | 25 |
如屬規格品外,本公司可配合要求制作。
規格尺寸如有修改,恕不另行通知。
Copyright ?福建省閩旋科技股份有限公司 版權所有 閩ICP備05026600號 中機標準化研究院 網站建設:科偉網絡