
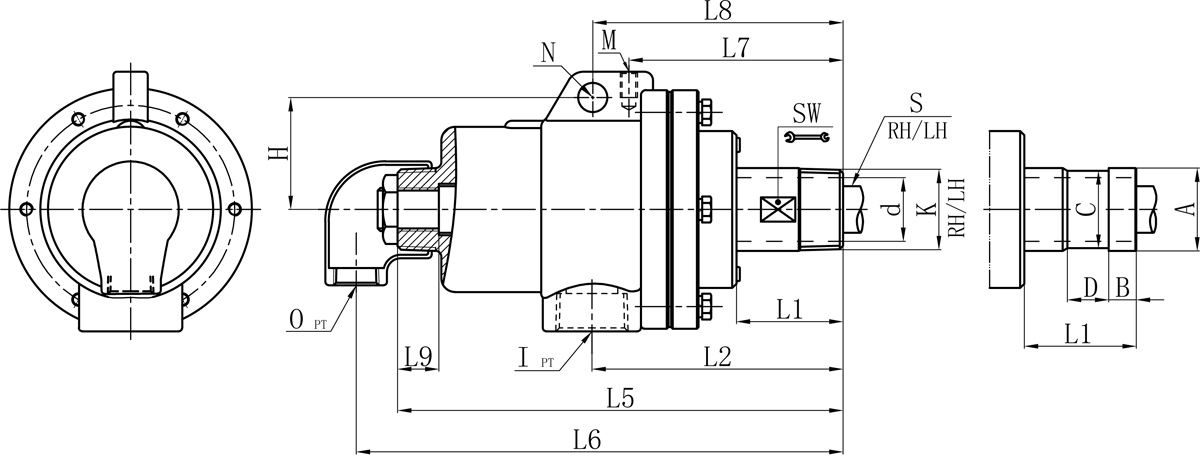
| Model | K | I | O | S | d | L1 | L2 | L5 | L6 | L7 | L8 | L9 | M | N | H | SW | 法蘭式外管尺寸對照表 | |||
| A | B | C | D | |||||||||||||||||
| 32A | R1-1/4" | Rc1" | Rc1/2" | Rp1/2" | 30 | 51 | 122 | 222 | 238 | 108 | 124 | 23 | M10 | 14 | 60 | 41 | 40 | 13 | 38 | 20 |
| 40A | R1-1/2" | Rc1-1/4" | Rc3/4" | Rp3/4" | 36 | 62 | 143 | 254 | 278 | 133 | 149 | 22 | M10 | 16 | 71 | 46 | 47.8 | 13 | 45 | 20 |
如屬規格品外,本公司可配合要求制作。
規格尺寸如有修改,恕不另行通知。
Copyright ?福建省閩旋科技股份有限公司 版權所有 閩ICP備05026600號 中機標準化研究院 網站建設:科偉網絡