
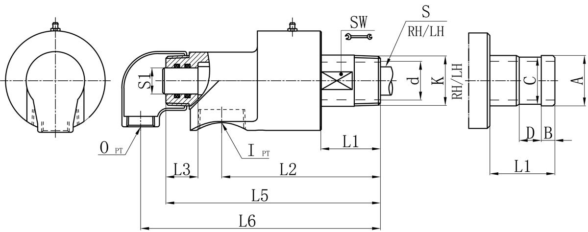
| Model | K | I | O | S1 | d | L1 | L2 | L3 | L5 | L6 | SW | 法蘭式外管尺寸對照表 | |||
| A | B | C | D | ||||||||||||
| 15A | R1/2" | Rc1/2" | Rc1/2" | 10 | 13 | 35 | 85 | 28 | 135 | 149 | 20 | / | / | / | / |
| 20A | R3/4" | Rc3/4" | Rc1/2" | 12 | 17 | 38 | 105 | 30 | 145 | 160 | 26 | 26 | 11 | 24 | 16 |
| 25A | R1" | Rc3/4" | Rc1/2" | 16 | 21 | 41 | 113 | 25 | 155 | 168 | 31 | 34 | 12 | 32 | 18 |
| 32A | R1-1/4" | Rc1-1/4" | Rc1/2" | 20 | 30 | 48 | 138 | 35 | 194 | 207 | 41 | 40 | 13 | 38 | 20 |
| 40A | R1-1/2" | Rc1-1/2" | Rc3/4" | 25 | 36 | 53 | 148 | 37 | 206 | 225 | 46 | 47.8 | 13 | 45 | 20 |
| 65A | R2-1/2" | Rc2" | Rc1-1/4" | 40 | 60 | 79 | 214 | 45 | 289 | 316 | 80 | 74 | 19 | 70 | 24 |
| 80A | R3" | Rc2-1/2" | Rc2-1/2" | 46 | 72 | 85 | 231 | 49 | 322 | 349 | 87 | 87 | 25 | 84 | 24 |
Copyright ?福建省閩旋科技股份有限公司 版權所有 閩ICP備05026600號 中機標準化研究院 網站建設:科偉網絡