如何讓您的設備遇上對的旋轉接頭? |
| 發布日期: 2018-08-17 瀏覽次數: 8492 新聞編輯: |
|
近年來,隨著各產業的不斷發展,對旋轉接頭的要求也愈來愈高,如何為設備挑選一款合適的旋轉接頭,讓生產線運作起來更安心省力,是每個用戶的希望與宿愿,今天,閩旋科技便與大家分享幾條關于如何為設備選擇合適的旋轉接頭的基本方法,讓您的設備遇上對的旋轉接頭。
一、技術參數的確認 選擇合適的旋轉接頭,首先要確認清楚旋轉接頭的技術參數(使用參數)是基本保障的前提,它包括介質、溫度、轉速和壓力。即所想要選購的旋轉接頭是用來通什么介質,水、油、蒸汽或空氣等流體介質?介質的溫度是多少?管道的壓力與設備旋轉的轉速是多少?通過這四個基礎技術要素,則大致確認了適用的旋轉接頭類型。
二、介質流向的確認 旋轉接頭的技術參數確認好之后,接下來還要確認介質流向,旋轉接頭的介質流向分為單通路、雙通路及多通路,它是根據與旋轉接頭連接設備的結構來決定的: 1.如果設備的結構決定了輸入介質與輸出介質分別在設備的兩側實現,那么則選擇單通路型旋轉接頭。 單通路 用于向旋轉輥、滾筒、氣缸等的一端供給冷卻水、油或者蒸汽等流體介質,從反向端排出。
2.如果設備的結構決定了輸入介質與輸出介質在設備的同一側實現,那么則選擇雙通路型旋轉接頭。 注:雙通路型旋轉接頭還需確認內管形式,即固定式亦或旋轉式,根據不同工況條件,進行針對性配型。 ①雙通路內管固定式 用于向旋轉輥、氣缸或者滾筒之中供給蒸汽或者水、油,從同一端排出。
②雙通路內管固定式 此型不同處為烘缸內設有虹吸管,冷凝水通過虹吸管排出,此型多用于蒸汽。
③雙通路內管旋轉式 向旋轉中的輥、氣缸、滾筒等之中供給或者排出水、蒸汽、熱水或者熱油時,內管也必須一起旋轉的情況下使用。
3.如果設備要求同時輸送多種介質或將介質輸出送到多個位置時應考慮選用多通路型旋轉接頭。
多通路旋轉接頭之一 三、旋轉接頭連接形式及尺寸的確認 旋轉接頭是將流體介質由固定管道輸送到旋轉或擺旋一個角度的管道、設備中的流體動密封裝置,在動態設備與靜態管道中間承擔著連接、密封的重要角色,其連接形式及尺寸,最終決定著購買到手的旋轉接頭是否能“配得上”您的設備。 因此首先根據設備與旋轉接頭連接結構形式來確定是螺紋連接還是法蘭連接,其中如果選擇螺紋式連接的旋轉接頭,則需區分外螺紋或內螺紋,并明確設備的旋轉方向(若在安裝旋轉接頭的一側觀察到設備是順時針運轉,則旋轉接頭應選左旋螺紋,反之則同理),如果選擇法蘭式連接,則需確認法蘭連接形式,大致可分為內螺紋法蘭連接、快換法蘭式連接(卡口式法蘭)、焊接法蘭式連接、整體法蘭式連接。
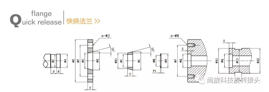
確認完旋轉接頭的連接方式后,還需確認其連接尺寸,即旋轉接頭與設備的連接尺寸,雙通路旋轉接頭還需確認內管尺寸。若為螺紋連接旋轉接頭需確認其通徑、外徑及牙距;若為法蘭式連接,則根據法蘭連接形式確認相應的尺寸。 例:快換法蘭式連接確認尺寸圖
此外,還需提供旋轉接頭與金屬軟管相連的接口形式及尺寸。
四、其它考慮因素 選擇一款合適的旋轉接頭,除確認以上三大要素外,同時也可考慮其它綜合要素,如旋轉接頭的品牌、制造商的服務、售后、交期等因素,以使旋轉接頭發揮到最大工效并用得稱心、舒心。 最后,當您要選擇或購買旋轉接頭時,一定要清楚的知道旋轉接頭用在哪里、技術參數(若旋轉接頭上有標牌亦可直接報予制造廠,更便于直接選型參照)、有無其他特殊要求,與相關方多多溝通,以期選購到一款最合適的旋轉接頭。
每一段相遇,都是命運中最好的安排,為您的設備提供安全輸送流體介質的最佳產品,是我們持之努力的方向,愛和信任,都要用心經營,用心守候,閩旋科技愿為您的生產線保駕護航,一起與您走幸福路。 |


登錄
注冊
English





